Product Summary
The TS321ILT is a Low power single operational amplifier. It is intended for cost-sensitive applications where space saving is of great importance. The TS321ILT offers the benefits of a reduced component size (SOT23-5 package), with specifications that match (or are better than) industry standard devices (like the popular LM358A, LM324, etc.). The TS321ILT has an input common mode range (Vicm) that includes ground, and therefore can be employed in single supply applications.
Parametrics
TS321ILT absolute maximum ratings: (1)Supply voltage:±16 to 32 V; (2)Input voltage:-0.3 to +32 V; (3)Differential input voltage:+32 V; (4)Output short-circuit duration:Infinite; (5)Input current:50 mA; (6)Storage temperature range:-65℃ to +150℃; (7)Maximum junction temperature:+150℃.
Features
TS321ILT features: (1)Large output voltage swing: 0 to 3.5 V min. (VCC = 5 V); (2)Low supply current: 500 μA; (3)Low input bias current: 20 nA; (4)Low input offset voltage: 2 mV max.; (5)Wide power supply range: Single supply: +3 V to +30 V, Dual supplies: ±1.5 V to ±15 V; (6)Stable with high capacitive loads.
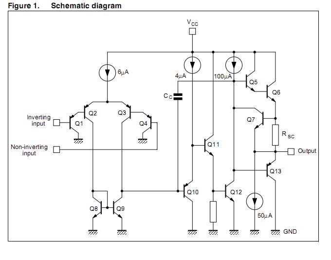
Diagrams

| Image | Part No | Mfg | Description | ![]() |
Pricing (USD) |
Quantity | ||||||||||||||||||
|---|---|---|---|---|---|---|---|---|---|---|---|---|---|---|---|---|---|---|---|---|---|---|---|---|
![]() |
![]() TS321ILT |
![]() STMicroelectronics |
![]() Operational Amplifiers - Op Amps Single Low Power |
![]() Data Sheet |
![]()
|
|
||||||||||||||||||
| Image | Part No | Mfg | Description | ![]() |
Pricing (USD) |
Quantity | ||||||||||||||||||
![]() |
![]() TS321AID |
![]() STMicroelectronics |
![]() Operational Amplifiers - Op Amps Single Low Power |
![]() Data Sheet |
![]() Negotiable |
|
||||||||||||||||||
![]() |
![]() TS321AIDT |
![]() STMicroelectronics |
![]() Operational Amplifiers - Op Amps Single Low Power |
![]() Data Sheet |
![]()
|
|
||||||||||||||||||
![]() |
![]() TS321AILT |
![]() STMicroelectronics |
![]() Operational Amplifiers - Op Amps Single Low Power |
![]() Data Sheet |
![]()
|
|
||||||||||||||||||
![]() |
![]() TS321AIYLT |
![]() |
![]() IC OP AMP SGL LOW POWER SOT-23-5 |
![]() Data Sheet |
![]()
|
|
||||||||||||||||||
![]() |
![]() TS321CX5 |
![]() Taiwan Semiconductor |
![]() Operational Amplifiers - Op Amps low power Sgl Op Amp |
![]() Data Sheet |
![]()
|
|
||||||||||||||||||
![]() |
![]() TS321IDBVRE4 |
![]() Texas Instruments |
![]() Operational Amplifiers - Op Amps Lo-Pwr Sgl Op Amp |
![]() Data Sheet |
![]()
|
|
||||||||||||||||||
(China (Mainland))










