Product Summary
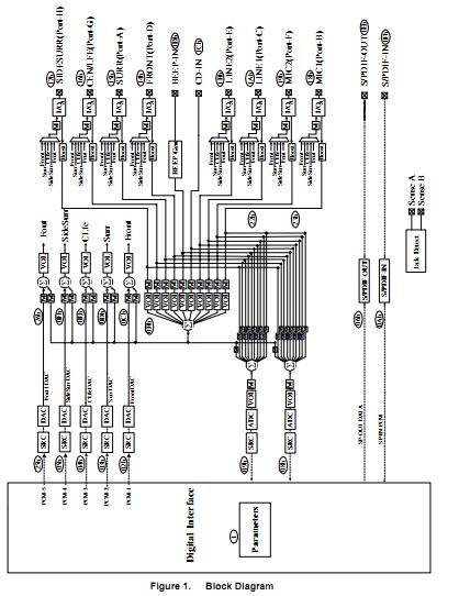
The ALC888 is an audio code. The device is a high-performance 7.1+2 Channel High Definition audio code providing ten DAC channels that simultaneously support 7.1 sound playback, plus 2 channels of independent stereo sound output (multiple streaming) through the front panel stereo outputs. The ALC888 integrates two stereo ADCs that can support a stereo microphone, and feature Acoustic Echo Cancellation (AEC), Beam Forming (BF), and Noise Suppression (NS) technology.
Parametrics
ALC888 absolute maximum ratings: (1)Power Supply, Digital Power for Core, DVDD: 3.0 to 3.6V, 3.3V typ; Digital Power for HDA Link, DVDD.IO: 1.5 to 3.6V, 3.3V typ; Analog, AVDDL 3.3 to 5.5V, 5.0V typ; (2)Ambient Operating Temperature, Ta: 0 - +70℃; (3)Storage Temperature, Ts: +125℃; (4)ESD (Electrostatic Discharge): Susceptibility Voltage; All Pins Pass: 3500V.
Features
ALC888 features: (1)All DACs support independent 16/20/24-bit, 44.1k/48k/96k/192kHz sample rate; (2)All ADCs support independent 16/20-bit, 44.1k/48k/96k sample rate; (3)All ADCs support independent 16/20/24-btt, 44.1k/48k/96k/192kHz sample rate (ALC888 Ver.C; (4)16/20/24-bit S/PDIF-OUT supports 44.1k/48k/96k/192kHz sample rate; (5)16/20/24-bit S/PDIF-OUT supports 44.1k/48k/88.2k/96k/192kHz sample rate (ALC888 Ver.C); (6)16/20/24-bit S/PDIF-IN supports 44.1k/48k/96k/192kHz sample rate ; (7)Up to four channels of microphone array input are supported for AEC/BF application; (8)High-quality analog differential CD input; (9)Supports external PCBEEP input and built-in digital BEEP generator; (10)Software selectable 2.5V/3.75V VREFOUT; (11)Two jack detection pins each designed to detect up to 4 jacks ; (12)Supports legacy analog mixer architecture.
Diagrams

![]() |
![]() ALC80243R3 |
![]() |
![]() POWER SUP AC-DC 6-24V 3.3A 79.2W |
![]() Data Sheet |
![]()
|
|
||||||||||||
![]() |
![]() ALC80-24-3R3 |
![]() TDK-Lambda |
![]() Linear and Switching Power Supplies 79.2W 6V-24V 3.3A LED Driver CC |
![]() Data Sheet |
![]()
|
|
||||||||||||
![]() |
![]() ALC80481R7 |
![]() |
![]() POWER SUP AC-DC 6-48V 1.7A 81.6W |
![]() Data Sheet |
![]()
|
|
||||||||||||
![]() |
![]() ALC80-48-1R7 |
![]() TDK-Lambda |
![]() Linear and Switching Power Supplies 81.6W 6V-48V 1.7A LED Driver CC |
![]() Data Sheet |
![]()
|
|
||||||||||||
![]() |
![]() ALC861DTS-GR |
![]() Other |
![]() |
![]() Data Sheet |
![]() Negotiable |
|
||||||||||||
![]() |
![]() ALC861-GR |
![]() Other |
![]() |
![]() Data Sheet |
![]() Negotiable |
|
||||||||||||
(China (Mainland))










