Product Summary
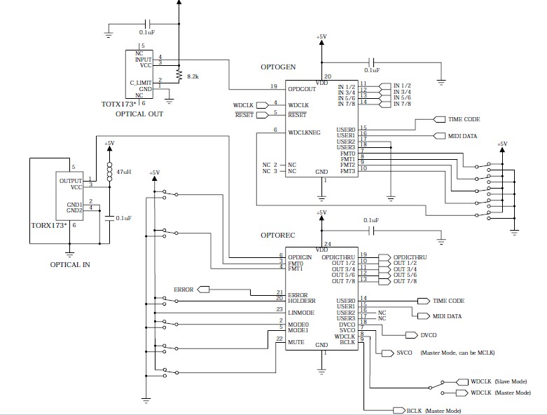
The AL1402G is an optorec converter. The AL1402G is designed to decode the ADAT optical data stream and produce four stereo pairs of audio data. Alesis ADAT U.S. patent number 5,297,181. Use of this product requires a license agreement between manufacturer and Alesis Studio Electronics. Details and agreement information are available upon request from Alesis Semiconductor or Alesis Studio Electronics.
Parametrics
AL1402G absolute maximum ratings: (1)VDD Supply Voltage: 4.5 to 5.5 V; (2)IDD Master Supply Current, Master: 7.7 mA; (3)IDD Slave Supply Current, Slave: 5.4 mA; (4)GND Ground: 0.0 V; (5)Fs Sample rate: 30 to 55 kHz; (6)Temp Temperature: 0 to 70 ℃.
Features
AL1402G features: (1)Compatible with ADAT Type I and II formats; (2)4 stereo pairs as outputs using standard ADC formats; (3)4 user bit outputs to receive time-code, MIDI data, etc.; (4)Internal PLL generates required clocks from optical data; (5)Word Clock input to synchronize outputs to users system.
Diagrams

![]() |
![]() AL14 |
![]() |
![]() METAL CLAMP 7/8 X 1/2 |
![]() Data Sheet |
![]()
|
|
||||||
![]() |
![]() AL1401A |
![]() Other |
![]() |
![]() Data Sheet |
![]() Negotiable |
|
||||||
![]() |
![]() AL1402 |
![]() Other |
![]() |
![]() Data Sheet |
![]() Negotiable |
|
||||||
(China (Mainland))








