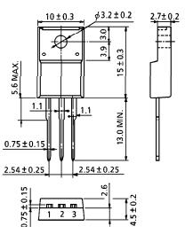
Product Summary
The 2SA1869-Y is a silicon PNP power transistor for Power Amplifier Applications.
Parametrics
2SA1869-Y absolute maximum ratings: (1)Collector-base voltage:-50 V ; (2)Collector-emitter voltage:-50 V ; (3)Emitter-base voltage:-5 V ; (4)Collector current:-3 A ; (5)Base current:-0.3 A ; (6)Collector power dissipation (Tc = 25℃) :10 W ; (7)Junction temperature:150℃; (8)Storage temperature range:-55 to 150℃.
Features
2SA1869-Y features: (1)good linearity of hFE; (2)complementary to 2SC4935.
Diagrams

![]() |
![]() 2SA1006 |
![]() Other |
![]() |
![]() Data Sheet |
![]() Negotiable |
|
||||
![]() |
![]() 2SA1006A |
![]() Other |
![]() |
![]() Data Sheet |
![]() Negotiable |
|
||||
![]() |
![]() 2SA1006B |
![]() Other |
![]() |
![]() Data Sheet |
![]() Negotiable |
|
||||
![]() |
![]() 2SA1008 |
![]() Other |
![]() |
![]() Data Sheet |
![]() Negotiable |
|
||||
![]() |
![]() 2SA1009 |
![]() Other |
![]() |
![]() Data Sheet |
![]() Negotiable |
|
||||
![]() |
![]() 2SA1009A |
![]() Other |
![]() |
![]() Data Sheet |
![]() Negotiable |
|
||||
(China (Mainland))








