Product Summary
The TA2022 is a stere 90W (4Ω) class-T. digital audio amplifier driver using digital power processing technology. The TA2022 is a 90W (4Ω) continuous average per channel Class-T Digital Audio Power Amplifier IC using Tripath proprietary Digital Power Processing (DPPTM) technology. Class-T amplifier TA2022 offers both the audio fidelity of Class-AB and the power efficiency of Class-D amplifiers.
Parametrics
TA2022 absolute maximum ratings: (1)VPP, VNN Supply Voltage: +/- 40 V; (2)V5 Positive 5V Bias Supply: 6V; (3)Voltage at Input Pins: -0.3V to (V5+0.3V)V; (4)VN10 Voltage for low-side FET drive: VNN+13 V; (5)TSTORE Storage Temperature Range: -55o to 150℃; (6)TA Operating Free-air Temperature Range: -40o to 85℃; (7)TJ Junction Temperature: 150℃; (8)ESDHB ESD Susceptibility – Human Body Model All pins (except pin 27):4000V, Pin 27: 1500V; (9)ESDMM ESD Susceptibility Machine Model, All pins: 200V.
Features
TA2022 features: (1)Dynamic Range = 102 dB; (2)Mute Input; (3)Integrated Gate Drive Supply; (4)Over-current protection; (5)Over and under-voltage protection; (6)Single ended outputs; (7)Outputs can be operated in bridged mode; (8)32-pin SSIP package; (9)Class-T architecture; (10)High Power.
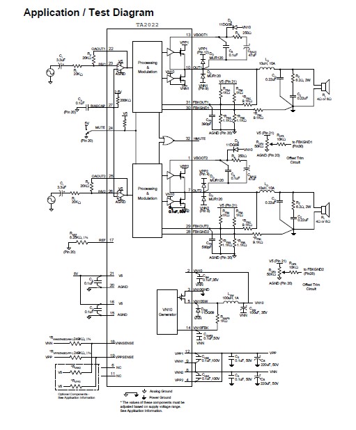
Diagrams

| Image | Part No | Mfg | Description | ![]() |
Pricing (USD) |
Quantity | ||||||
|---|---|---|---|---|---|---|---|---|---|---|---|---|
![]() |
![]() TA20221603DH |
![]() |
![]() SCR PHASE CTRL 2200V 1600A |
![]() Data Sheet |
![]()
|
|
||||||
![]() |
![]() TA2022AFN |
![]() Other |
![]() |
![]() Data Sheet |
![]() Negotiable |
|
||||||
(China (Mainland))









