Product Summary
The GT40T301 is a parallel resonance inverter.
Parametrics
GT40T301 absolute maximum ratings: (1)Collector-emitter voltage VCES: 1500 V; (2)Gate-emitter voltage VGES: ±25 V; (3)Collector current DC: 40A; (4)Collector current 1 ms ICP: 80 A; (5)Emitter-collector forward current DC IECF: 30 A; (6)Emitter-collector forward current 1 ms IECPF: 80A; (7)Collector power dissipation (Tc = 25℃) PC: 200 W; (8)Junction temperature Tj: 150 ℃; (9)Storage temperature range Tstg: -55~150 ℃.
Features
GT40T301 features: (1)FRD included between emitter and collector; (2)Enhancement mode type; (3)High speed IGBT : tf = 0.25 μs (typ.) (IC = 40 A); (4)FRD : trr = 0.7 μs (typ.) (di/dt = .20 A/μs); (5)Low saturation voltage: VCE (sat) = 3.7 V (typ.) (IC = 40 A).
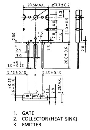
Diagrams

| Image | Part No | Mfg | Description | ![]() |
Pricing (USD) |
Quantity | ||||
|---|---|---|---|---|---|---|---|---|---|---|
![]() |
![]() GT40T301 |
![]() Other |
![]() |
![]() Data Sheet |
![]() Negotiable |
|
||||
![]() |
![]() GT40T301(Q) |
![]() Toshiba |
![]() IGBT Transistors IGBT 1500V 40A |
![]() Data Sheet |
![]() Negotiable |
|
||||
(China (Mainland))









