Product Summary
The 2SA1943-O is a Silicon PNP Triple Diffused Type transistor for Power Amplifier Applications.
Parametrics
2SA1943-O absolute maximum ratings: (1)Collector-base voltage:-230 V ; (2)Collector-emitter voltage:-230 V ; (3)Emitter-base voltage:-5 V ; (4)Collector current:-15 A ; (5)Base current:-1.5 A ; (6)Collector power dissipation (Tc = 25℃) :150 W ; (7)Junction temperature:150℃; (8)Storage temperature range:-55 to 150℃.
Features
2SA1943-O features: (1)High collector voltage: VCEO= -230 V (min); (2)Complementary to 2SC5200; (3)Recommended for 100-W high-fidelity audio frequency amplifier output stage.
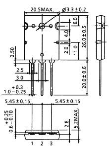
Diagrams

| Image | Part No | Mfg | Description | ![]() |
Pricing (USD) |
Quantity | ||||||||||||
|---|---|---|---|---|---|---|---|---|---|---|---|---|---|---|---|---|---|---|
![]() |
![]() 2SA1943-O(Q) |
![]() Toshiba |
![]() Transistors Bipolar (BJT) PNP 230V 15A |
![]() Data Sheet |
![]()
|
|
||||||||||||
![]() |
![]() 2SA1943-O |
![]() |
![]() TRANS PNP -230V -15A TO-3PL |
![]() Data Sheet |
![]() Negotiable |
|
||||||||||||
(China (Mainland))










